找回密码
 立即注册
首页 业界区 业界 6502 算术逻辑单元(ALU)

6502 算术逻辑单元(ALU)

诞楮 2025-12-9 23:40:04
算术逻辑单元(ALU)是 CPU 的核心部件,负责 CPU 内的各种算术运算。现代 CPU 的 ALU 无疑相当复杂,想要从晶体管或逻辑门级别对它的工作原理进行说明几乎不现实。但是 6502 CPU 是一款颇具知名度但又相对简单的 8 位 CPU,使用它来介绍 ALU 的原理非常合适。接下来让我们来看看 6502 的 ALU 是如何构成以及它的工作原理。
功能

6502 CPU 可以对 8 位有符号和无符号数进行加(ADC)、减(SBC)、按位与(AND)、按位或(ORA)、按位异或(EOR)、左移(ASL,ROL)、右移(LSR,ROR)总共 9 种运算。但是并不是每一种运算都有一个对应的运算模式,6502 ALU 只支持求和(SUMS)、按位与(ANDS)、按位或(ORS)、按位异或(EORS)和右移(SRS)共 5 种运算模式。因此,有些指令是通过一些“巧思”实现的。
减法(SBC)

减法(SBC)是由求和实现的。SBC 指令的功能可以表述为 \(A - M - \overline{C} \to A\),其中 A 表示 A 寄存器;M 表示内存中的操作数;C 表示标志寄存器中进位标志(CF)的值。SBC 可以转换为加法:

\[\begin{split}SBC =&\ A - M - \overline{C} \\    =&\ A + -M - \overline{C} \\    =&\ A + \overline{M} + 1 - \overline{C} \\    =&\ A + \overline{M} + C\end{split}\]
所以只需要把 M 取反后送入 ALU,然后照常进行加法即可。
左移(ASL,ROL)

左移(ASL,ROL)相当于把操作数乘以 2,所以是通过把操作数加上自身实现的。即 \(X + X + C \to X\),其中 X 表示操作数(来自 A 寄存器或者内存),C 表示标志寄存器中进位标志(CF)的值。
右移(LSR,ROR)

右移(LSR,ROR)是把每个 NAND 输出位接入到上一个位的总输出中,其中最高位固定为 1。在存储时,最高位有单独的信号(ADD/SB7)用来控制是否放到总线上。运算时,ALU 的两个输入都被配置为操作数,这样:

\[\begin{split}Y_{n} =& \overline{A_{n+1} \cdot B_{n+1}} \\=& \overline{X_{n+1} \cdot X_{n+1}} \\=& \overline{X_{n+1}}\end{split}\]
可见,输出正好是操作数右移一位后取反的结果,要得到正确结果只需对输出取反即可。
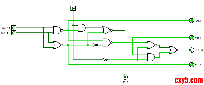
核心结构

由于没有乘除法运算,因此 ALU 的核心其实基本就是一个 8 比特全加器,比较有趣的是这个全加器的奇偶位电路略有不同。
其中偶数位全加器的晶体管电路图如下:
1.png

对应的逻辑门电路图如下:
2.png

奇数位全加器的晶体管电路如下:
3.png

对应的逻辑门电路图如下:
4.png

想知道晶体管电路是怎么转换到逻辑门电路的?可以看看这篇文章
上面晶体管电路中,x1、x2 用来控制是否对 DATA1 进行取反。x1 用于将相反数送入 ALU,x2 用于将原数送入 ALU。
将这两个运算单元交替串联起来,就组成了 ALU:
5.png

注意,这只是演示。由于 6502 支持 BCD,实际电路比上述电路复杂,后文有介绍
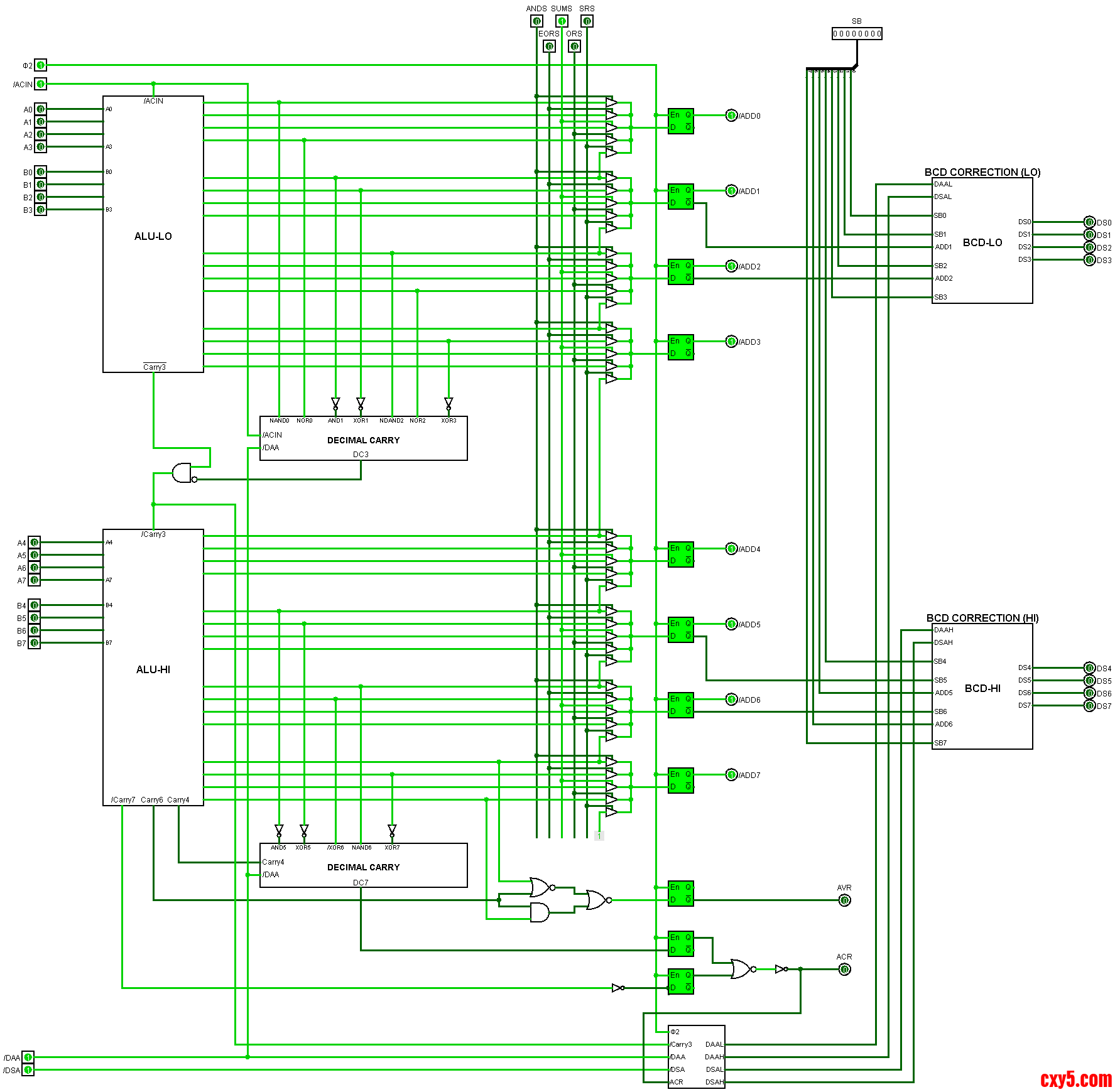
外围结构

ALU 的外围结构包括两个输入寄存器(AI 和 BI)、一个输出寄存器(ADD,注意这个不是累加寄存器 AC)、标志寄存器、BCD 修正电路,这些外围结构与 ALU 计算核心一起组成了功能完整的 ALU。运算方式选择实际上是运算结果的选择。从上面的逻辑门电路图不难看出,ALU 是一次性把求和、与、或和异或运算都进行了的,选择不同的计算结果就达到了进行不同计算的目的。
这些外围组件与 ALU 计算核心的连接关系如下:
6.png

ALU 状态标志

ALU 除了输出运算结果,还附带输出一些状态信息,这些状态包括:溢出标志(AVR)、符号标志(NF)、进位标志(ACR)、零标志(ZF)以及 BCD 修正要用到的半进位标志(HC)。有了这些状态标志,CPU 就能实现“比较”指令。
溢出标志(AVR)

溢出标志表示计算结果溢出,有符号数运算结果如果小于 -128 或者大于 127 则溢出。溢出标志对于无符号数没有意义,无符号数的溢出看进位标志(ACR)即可。溢出检测电路如下:
7.png

图中 Carry6 是 ALU 的第 7 个位(次高位)的进位输出,NAND7 是 ALU NAND 输出的最高位,NOR7 则是 NOR 输出的最高位
上面晶体管电路对应的逻辑门电路图如下:
8.png

即:

\[\begin{split}\overline{AVR} =&\overline{\overline{NAND_7+ Carry_6} + NOR_7 \cdot Carry_6} \\AVR =& \overline{NAND_7+ Carry_6} + NOR_7 \cdot Carry_6 \\    =& \overline{\overline{A_7 \cdot B_7} + Carry_6} + \overline{A_7 + B_7} \cdot Carry_6 \\    =& A_7 \cdot B_7 \cdot \overline{Carry_6} + \overline{A_7 + B_7} \cdot Carry_6\end{split}\]
当 Carry6 为 0 时,AVR 等于 \(A_7 \cdot B_7\);当 Carry6 为 1 时,AVR 等于 \(\overline{A_7 + B_7}\)。让我们一起分析看看这种检测方式是否有效。
若 Carry6 为 0:

  • A、B 都为正数时,和小于等于 127。这时不会溢出
  • A、B 只有一个负数时,它们的和仍然为负数。这时,负数的那个绝对值较大,不会溢出
  • A、B 都为负数时,它们的和变为正数。显然溢出
若 Carry6 为 1:

  • A、B 都为正数时,和变为负数。显然溢出
  • A、B 只有一个负数时,和为正数。这时,正数的那个绝对值较大,不会溢出
  • A、B 都为负数时,要产生 Carry6 的进位,其中一个(假设是 A)必然大于等于 -64(即次高位为 1),B 则需要满足 B >= (~A + 1) | -128 。B >= (~A + 1) | -128 等价于 B >= -A + -128,也就是 B + A >= -128,即 “A + B” 不会溢出
综上,Carry6 为 0 且 A、B 都为负数时(即 \(A_7 \cdot B_7 = 1\))会溢出;Carry6 为 1 且 A、B 都为正数时(即 \(\overline{A_7} \cdot \overline{B_7} = 1\))会溢出。
根据上面的分析,我们可以确认 6502 的溢出检测算法是正确的。但是上面的算法有点复杂和难以理解,如果我们进行模拟器开发,通常采用以下算法判断溢出:
  1. OV = 0x80 & (AI ^ ADD) & (BI ^ ADD) ? 1 : 0;
复制代码
即,最终结果与 A、B 都异号时,计算会溢出。这其实跟上面 AVR 的逻辑表达式是等价的。
符号标志(NF)

符号标志表示计算结果是否为负数,也就是计算结果的最高位(第 8 位)是否为 1。此标志只在对有符号数进行运算时才有意义。
零标志(ZF)

零标志表示计算结果是否为零,电路非常简单,就是把计算结果送入一个 NOR 门。
进位标志(ACR)

进位标志就是全加器的进位输出取反,不再多做介绍。
半进位标志(HC)

这个标志是 ALU 第 4 个位上产生的进位(Carry3),用于 BCD 修正,没有对应的寄存器。
BCD 模式

6502 CPU 支持硬件 BCD 模式,这种模式需要额外的电路对结果进行修正。BCD 修正电路如在 MOS 科技的专利 patent US 3991307 中有详细介绍。BCD 修正电路包含 BCD 进位部件和 BCD 修正部件两个部分,这些部件与 ALU 加法器的关系如下:
9.png

接下来,我们来拆解一下每个部分的工作原理。
BCD 进位

BCD 进位部件分成低四位进位 DC3 和 高四位进位 DC7,其中 DC3 的进位电路如下:
10.png

上述电路对应的逻辑表达式如下:

\[\begin{split}DC3 =& DAA \cdot \{(A2 \cdot B2 + A3 \oplus B3) \cdot [A2 \oplus B2 + A1 \oplus B1 + A1 \cdot B1 + (A0 \cdot B0 + AC_{in}) \cdot (A0 + B0)] + (A0 \cdot B0 + AC_{in}) \cdot (A0 + B0) \cdot A1 \cdot B1 \cdot (A2 + B2)\} \\=& DAA \cdot \{(A2 \cdot B2 + A3 \oplus B3) \cdot [Carry0 + A1 + B1 + A2 \oplus B2] + Carry0 \cdot A1 \cdot B1 \cdot (A2 + B2)\}\end{split}\]
其中 \(Carry0 = (A0 \cdot B0 + AC_{in}) \cdot (A0 + B0)\)。
这个逻辑表达式相当复杂,很难想象是怎么设计出来的。对这个表达式进行验算可以发现,A + B + AC 小于 10 时,DC3 为 0;和大于等于 10 时,DC3 大多数情况下值为 1。和大于等于 10 但 DC3 为 0 的情形中,二进制加法进位 Carry3 这时是 1,所以最终并不不影响后续 BCD 修正。
DC3 与 ALU 加法器的第 3 位输出 Carry3 进行 “或” 运算后被送往第 4 位的进位输入。由于实际 ALU 加法器的第 3 位输出是取反了的,且第 4 位的进位输入也要求取反,所以实际电路是这样的:
11.png

最后形成的新 Carry3 也被叫做 HC(半进位)。
ALU 加法器加上上述 DC3 进位电路后完成的功能如下:
  1. s = a + b + c;
  2. if (s > 9) {
  3.   s |= 0x10;
  4. }
复制代码
DC7 与 DC3 基本上是相同的,不再过多介绍。
12.png

对应的逻辑表达式:

\[\begin{split}DC7 &= (A6 \cdot B6 + A7 \oplus B7) \cdot (Carry4 + A5 \cdot B5 + A5 \oplus B5 + A6 \oplus B6) + Carry4 \cdot A5 \cdot B5 \cdot A6 \oplus B6 \\&= (A6 \cdot B6 + A7 \oplus B7) \cdot (Carry4 + A5 + B5 + A6 \oplus B6) + Carry4 \cdot A5 \cdot B5 \cdot A6 \oplus B6\end{split}\]
BCD 修正

BCD 的高、低四位用的是相同的修正电路,这里只细讲低四位的修正电路。低四位修正电路如下:
13.png

电路中 SB0~SB3 表示的 CPU 内的特殊总线(SB 总线)的低四位。CPU 在进行 BCD 修正时,SB 总线上的数据实际上就是 ADD 寄存器中的内容(可以参考 Hanson 的框图辅助理解 CPU 内的数据通路)。所以,上述修正电路对应的逻辑表达式如下:

\[\begin{split}DS0 =& ADD0 \\DS1 =& (DSAL + DAAL) \oplus ADD1 \\DS2 =& (DSAL \cdot ADD1 + DAAL \cdot \overline{ADD1}) \oplus ADD2 \\DS3 =& [DSAL \cdot (\overline{ADD1} + \overline{ADD2}) + DAAL \cdot (ADD1 + ADD2)] \oplus ADD3\end{split}\]
当 DAA 为 1 时,DS 等于 ADD + 6; 当 DSA 为 1 时,DS 等于 ADD + 10。这正是 BCD 修正算法。
BCD 命令信号

BCD 修正命令分为加法修正(DAA)和减法修正(DSA)两个信号,信号的生成电路如下:
14.png

上面电路中的 51、52 表示解码器的 51、52 号输出。其中 51 解码 SBC 的 T0 周期,52 解码 SBC、ADC 的 T0 周期。D_out 表示 D 标志位(BCD 模式位)的值。
51 的指令匹配模板:111XXXX1
52 的指令匹配模板:X11XXXX1
上面电路对应的逻辑表达式如下:

\[\begin{split}DAA =& \overline{SBC0} \cdot ADC0 \cdot D \\DSA =& SBC0 \cdot D\end{split}\]
上面电路的 DAA、DSA 信号延迟一个时钟周期后(即 T1 周期)将被送到下面的电路中,进一步生成针对高、低四位的命令信号:
15.png

注意,这里的 Carry3 并不是加法器第 3 位的输出,而是前面提到的 HC。所以:

\[\begin{split}DAAL =& DAA \cdot HC \\DAAH =& DAA \cdot ACR \\DSAL =& DSA \cdot \overline{HC} \\DSAH =& DSA \cdot \overline{ACR}\end{split}\]


完整电路

最后给出完整的重建电路,如下:
16.png

代码模拟

带 BCD 修正逻辑的 ADC、SBC 指令模拟代码如下:
  1. #define BIT_N    0x80
  2. #define BIT_V    0x40
  3. #define BIT_B    0x10
  4. #define BIT_D    0x08
  5. #define BIT_I    0x04
  6. #define BIT_Z    0x02
  7. #define BIT_C    0x01
  8. #define BITS_NVZC    0xc3
  9. uint8_t ADC(uint8_t a, uint8_t b, uint8_t *flags) {
  10.   int s = 0;
  11.   if (*flags & BIT_D) {
  12.     s = (a & 0xf) + (b & 0xf) + (*flags & BIT_C);
  13.     if (s > 9) {
  14.       s = 0x10 | (s + 0x6) & 0xf;
  15.     }
  16.     s = (a & 0xf0) + (b & 0xf0) + s;
  17.     if (s > 0x9f) {
  18.       s = 0x100 | (s + 0x60) & 0xff;
  19.     }
  20.   } else {
  21.     s = a + b + (*flags & BIT_C);
  22.   }
  23.   *flags &= ~BITS_NVZC;
  24.   *flags |= ((a ^ s) & (b ^ s) & BIT_N ? BIT_V : 0)
  25.     | (s > 255 ? BIT_C : 0)
  26.     | ((uint8_t)s ? s & BIT_N : BIT_Z);
  27.   return (uint8_t)s;
  28. }
  29. uint8_t SBC(uint8_t a, uint8_t b, uint8_t *flags) {
  30.   int s = 0;
  31.   b ^= 0xff;
  32.   if (*flags & BIT_D) {
  33.     s = (a & 0xf) + (b & 0xf) + (*flags & BIT_C);
  34.     if (s < 0x10) {
  35.       s = 0x10 | (s + 0xa) & 0xf;
  36.     }
  37.     s = (a & 0xf0) + (b & 0xf0) + s;
  38.     if (s < 0x100) {
  39.       s = 0x100 | (s + 0xa0) & 0xff;
  40.     }
  41.   } else {
  42.     s = a + b + (*flags & BIT_C);
  43.   }
  44.   *flags &= ~BITS_NVZC;
  45.   *flags |= ((a ^ s) & (b ^ s) & BIT_N ? BIT_V : 0)
  46.     | (s > 255 ? BIT_C : 0)
  47.     | ((uint8_t)s ? s & BIT_N : BIT_Z);
  48.   return (uint8_t)s;
  49. }
复制代码
参考


  • patent US 3991307
  • breaks-alu.md

来源:程序园用户自行投稿发布,如果侵权,请联系站长删除
免责声明:如果侵犯了您的权益,请联系站长,我们会及时删除侵权内容,谢谢合作!

相关推荐

2025-12-17 04:08:09

举报

2025-12-24 21:44:36

举报

2026-1-18 12:55:27

举报

懂技术并乐意极积无私分享的人越来越少。珍惜
2026-1-24 09:06:49

举报

2026-2-6 06:15:00

举报

喜欢鼓捣这些软件,现在用得少,谢谢分享!
2026-2-10 01:44:45

举报

2026-2-21 07:35:00

举报

您需要登录后才可以回帖 登录 | 立即注册